Panduan Dasar Autocad Untuk Pemula
Pengaturan Roadmap
Pengaturan pada AutoCAD akan tampak rumit pada awalnya. Tabel berikut ini berisi pengaturan dasar perintah yang harus anda gunakan untuk mengatur gambar anda, apa yang harus dilakukan, dan cara untuk melakukan itu..
Jalan Pintas pada keyboard yang paling biasa digunakan
Sejak munculnya AutoCAD, metode satu input yang tetap konstan mengetik ke baris perintah. Tabel berikut berguna sebagai jalan pintas keyboard untuk AutoCAD.
Skala dan Batas-Batas dalam Feet dan Inchi
Dalam AutoCAD, menetapkan batas yang benar memungkinkan anda menampilkan gambar kotak di atas wilayah kerja anda. Tabel berikut ini mencantumkan dimensi untuk ukuran kertas yang berbeda pada skala yang berbeda.
Skala and Batas-batas dalam Milimeter
Jika Anda lebih suka bekerja dalam milimeter, Anda masih ingin menetapkan batas anda dengan benar. Hal ini memungkinkan anda untuk menampilkan gambar kotak di atas wilayah kerja Anda, Berikut adalah dimensi untuk ukuran kertas yang berbeda pada skala gambar yang berbeda.
1. Menggunakan alat AutoCAD Menggambar sederhana
2. Tidak ada yang sulit dalam menggunakan alat gambar AutoCAD. Mari kita coba langkah sederhana ini.
3. Klik alat yang ingin anda gunakan pada ribbon. AutoCAD alat gambar pada tab rumah. Mari kita mulai dengan garis.
4. Anda akan melihat input dinamis dekat pointer Anda. Ini akan memberitahu anda apa yang perlu anda lakukan selanjutnya. Sebagian besar alat gambar akan meminta anda lokasi titik. Kita akan belajar bagaimana masukan koordinat tepat nanti. Cukup klik di mana saja pada area gambar anda. Terserah anda.
5. Sekali lagi, masukan dinamis akan memberitahu Anda apa yang harus dilakukan. Lokasi titik lain. Klik di mana saja lagi. Perhatikan bahwa informasi input dinamis juga ditunjukkan pada baris perintah.
6. AutoCAD terus meminta Anda untuk lokasi titik. Klik lagi.
7. Setelah Anda selesai menggambar segmen garis, tekan [enter] untuk menyelesaikannya. Banyak pengguna AutoCAD lain ingin menggunakan [spasi] sebagai alternatif.
8. Sekarang mari kita coba untuk menggambar persegi panjang.
9. Sama seperti menggambar garis, ia akan meminta Anda untuk lokasi titik. Klik di mana saja.
10. Dan seperti alat baris, ia akan meminta titik berikutnya. Tapi jangan klik mouse Anda sebelumnya. Tekan panah pada keyboard Anda, atau klik panah kecil di sebelah 'tentukan titik sudut lain'
11. Ini adalah bagaimana Anda bisa melihat opsi untuk membuat persegi panjang. Cara yang paling umum adalah mendefinisikan 2 poin, tetapi Anda juga dapat menentukan dengan menggunakan metode lain. Jika Anda melihat pada command line, Anda dapat melihat pilihan juga. Anda dapat menggunakan opsi dengan mengetik huruf di pilihan yang tersedia.
bidang layar kerja AutoCAD seperti terlihat pada gambar di bawah ini.
Jika terjadi suatu kesalahan pada saat anda melakukan proses menggambar di AutoCAD, dan anda ingin memulai kembali atau mengulang kembali, anda dapat menggunakan perintah Undo. Klik ikon Undo pada toolbar Quick Access, yang terletak di bagian atas jendela. Anda mungkin perlu untuk mengklik beberapa kali untuk membatalkan semua perintah sebelumnya.
Atau jika anda tanpa sengaja mengklik di area gambar, menampilkan menu shortcut, atau memulai perintah, anda selalu dapat membatalkan dengan menekan tombol Esc pada keyboard Anda.
Ok… jika sampai pembahasan ini anda sudah mengerti maka saya lanjutkan dengan pembahasan bagaimana cara memulai menggambar garis, serangkaian garis, dan sebuah objek.
· Menggambar garis, serangkaian garis, dan sebuah objek.
Dalam bahasan belajar dasar AutoCAD ini, anda belajar bagaimana menggambar garis, serangkaian garis yang saling terhubung dan sebuah abjek benda yang terbuat dengan garis. Di samping itu, Anda belajar bagaimana memilih dan menghapus garis.
Untuk memulai menggambar garis, anda dapat melakukan seperti yang jelaskan di bawah ini.
· Tarik mouse ke gambar kosong. Sebuah kursor crosshairs muncul dengan tiga kotak teks. Kotak “Specify first point :” disebut prompt dinamis. Dengan prompt dinamis, anda dapat menjaga mata anda pada pekerjaan anda dan tidak perlu melihat ke bawah ke baris perintah. Perhatikan Jika prompt dinamis tidak terlihat, tekan tombol F12 untuk menyalakannya.
· Dua kotak teks yang lainnya menunjukkan lokasi (x dan y koordinat) dari kursor. Gunakan mouse untuk memindahkan kursor di sekitar dan melihat perubahan koordinat.
· Dalam gambar yang kosong, klik mouse untuk memilih titik awal untuk baris pertama Anda. Perubahan cepat yang dinamis untuk “Specify next point or”.
· Tarik kursor ke segala arah dan klik untuk memilih titik akhir baris Anda. Kotak teks lain muncul dengan informasi tambahan tentang garis. Anda dapat mengabaikan untuk saat ini.
· Tekan tombol Enter pada keyboard untuk mengakhiri baris. Anda telah menggambar baris pertama Anda!
Untuk memilih dan menghapus suatu garis
Sebelum Anda belajar cara menggambar serangkaian garis, memilih dan menghapus garis yang baru saja anda gambar.
1. Pindahkan kursor di atas garis untuk menyorotnya, garis akan terlihat lebih gelap dan putus-putus.
2. Klik mouse untuk memilih garis. Anda tahu itu dipilih ketika tiga seleksi persegi menangani muncul dan perubahan garis ke garis putus-putus.
3. Tekan tombol Delete pada keyboard anda untuk menghapus garis. Sampai sini anda telah belajar bagaimana untuk memilih satu objek dan menghapusnya.
Untuk menggambar serangkaian garis terhubung
2. Tarik mouse ke gambar kosong. Klik untuk menentukan titik pertama untuk baris.
3. Geser kursor ke segala arah dan klik untuk memilih titik berikutnya garis anda. Anda telah menggambar garis pertama dalam serangkaian garis terhubung.
4. Tarik mouse dan klik untuk menentukan titik berikutnya. Anda telah menggambar garis kedua dalam serangkaian garis terhubung.


1. Lanjutkan untuk menyeret mouse dan klik untuk menentukan titik untuk menambahkan baris lagi.
2. Bila Anda ingin mengakhiri rangkaian garis, tekan tombol Enter pada keyboard.
Untuk memilih dan menghapus serangkaian garis
Sebelum anda belajar bagaimana untuk menghubungkan serangkaian garis untuk membuat sebuah objek, menghapus garis yang baru saja anda gambar. Dalam langkah-langkah di bawah ini, Anda akan menggunakan kotak jendela pilihan untuk memilih semua baris pada saat yang sama.
1. Pindahkan kursor di atas dan di sebelah kiri garis.
2. Klik dan tahan tombol mouse saat anda tarik ke kanan dan ke bawah untuk membentuk kotak pilihan di sekitar garis.


3. Klik ketika semua garis berada di dalam kotak. Setelah Anda mengklik, seleksi persegi muncul dan garis menjadi putus-putus.
4. Tekan tombol Delete pada keyboard Anda untuk menghapus garis.
Untuk menghubungkan serangkaian garis untuk membentuk obyek.
3. Geser kursor ke segala arah dan klik untuk memilih titik berikutnya dari garis.
5. Tepat setelah Anda memilih titik terakhir, tanpa menggerakkan mouse, anda hanya menggunakan keyboard dan mengetik “close“. Ketika anda mengetik perintah “close” yang muncul dalam kotak teks kecil di jendela.
6. Tekan tombol Enter pada keyboard anda untuk menyelesaikan perintah “close“. Akhir dari baris terakhir yang anda gambar akan terhubung ke awal baris pertama anda. Metode langsung memasukkan perintah ke jendela disebut input bersifat dinamis. Hal ini lebih cepat dan lebih mudah daripada menggunakan baris perintah.
gambar 1
|
Gambar 4
Anda bisa melakukan ini hanya dengan menggunakan line dan circle kemudian garis bantu dan chamfer 30 derajat (lihat gambar 5)

gambar 5
anda bisa melakukan ini hanya dengan menggunakan line danarc anda hanya tinggal menyesuaikan ukurannya saja (lihat gambar 6 dan 7)
Anda bisa melakukan ini hanya dengan menggunakan line dan circle kemudian garis bantu dan chamfer secara distance anda dapat ukur jaraknya (lihat gambar 8 dan 9)
gambar 8
gambar 9
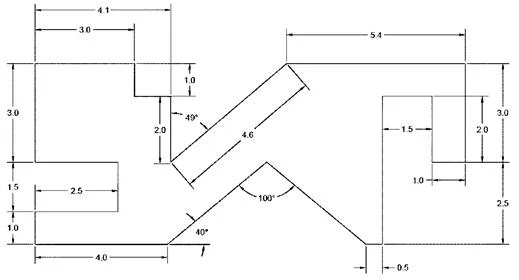
Anda bisa melakukan ini hanya dengan menggunakan line dan kemudian garis bantu danTrim jangan lupa perhatikan sudut-sudutnya (lihat gambar 10 dan 11)
Anda bisa melakukan ini hanya dengan menggunakan line dan Circle kemudian garis bantu dan Fillet dan kemudian perhatikan sudut-sudutnya (lihat gambar 12)
gambar 12
Anda bisa melakukan ini hanya dengan menggunakan line dan kemudian garis bantu dan Trim jangan lupa dengan chamfer dan kemudian perhatikan sudut-sudutnya (lihat gambar 13)
gambar 13
Anda bisa melakukan ini hanya dengan menggunakan line dan kemudian garis bantu dan Trim jangan lupa dengan chamfer dan perhatikan sudut-sudutnya hanya lebih atraktif saja sedikit (lihat gambar 14)
gambar 14
Anda bisa melakukan ini hanya dengan menggunakan line, Arc, pentagon dan Circle kemudian garis bantu dan Fillet dan kemudian perhatikan sudut-sudutnya (lihat gambar 15)


gambar 15
gambar 16
Gambar 17
2. Tarik mouse ke gambar kosong. Klik untuk menentukan titik pertama dari garis.
Buka autocad anda, anda bisa melakukan ini hanya dengan menggunakan line dan circle anda hanya tinggal menyesuaikan ukurannya saja, (lihat gambar 1,2,3 dan 4)
Anda bisa melakukan ini hanya dengan menggunakan line dan circle kemudian garis bantu dan chamfer 30 derajat (lihat gambar 5)
gambar 15
Panduan Dasar Autocad Untuk Pemula
Pengaturan Roadmap
Pengaturan pada AutoCAD akan tampak rumit pada awalnya. Tabel berikut ini berisi pengaturan dasar perintah yang harus anda gunakan untuk mengatur gambar anda, apa yang harus dilakukan, dan cara untuk melakukan itu..
Jalan Pintas pada keyboard yang paling biasa digunakan
Sejak munculnya AutoCAD, metode satu input yang tetap konstan mengetik ke baris perintah. Tabel berikut berguna sebagai jalan pintas keyboard untuk AutoCAD.
Skala dan Batas-Batas dalam Feet dan Inchi
Dalam AutoCAD, menetapkan batas yang benar memungkinkan anda menampilkan gambar kotak di atas wilayah kerja anda. Tabel berikut ini mencantumkan dimensi untuk ukuran kertas yang berbeda pada skala yang berbeda.
Skala and Batas-batas dalam Milimeter
Jika Anda lebih suka bekerja dalam milimeter, Anda masih ingin menetapkan batas anda dengan benar. Hal ini memungkinkan anda untuk menampilkan gambar kotak di atas wilayah kerja Anda, Berikut adalah dimensi untuk ukuran kertas yang berbeda pada skala gambar yang berbeda.
1. Menggunakan alat AutoCAD Menggambar sederhana
2. Tidak ada yang sulit dalam menggunakan alat gambar AutoCAD. Mari kita coba langkah sederhana ini.
3. Klik alat yang ingin anda gunakan pada ribbon. AutoCAD alat gambar pada tab rumah. Mari kita mulai dengan garis.
4. Anda akan melihat input dinamis dekat pointer Anda. Ini akan memberitahu anda apa yang perlu anda lakukan selanjutnya. Sebagian besar alat gambar akan meminta anda lokasi titik. Kita akan belajar bagaimana masukan koordinat tepat nanti. Cukup klik di mana saja pada area gambar anda. Terserah anda.
5. Sekali lagi, masukan dinamis akan memberitahu Anda apa yang harus dilakukan. Lokasi titik lain. Klik di mana saja lagi. Perhatikan bahwa informasi input dinamis juga ditunjukkan pada baris perintah.
6. AutoCAD terus meminta Anda untuk lokasi titik. Klik lagi.
7. Setelah Anda selesai menggambar segmen garis, tekan [enter] untuk menyelesaikannya. Banyak pengguna AutoCAD lain ingin menggunakan [spasi] sebagai alternatif.
8. Sekarang mari kita coba untuk menggambar persegi panjang.
9. Sama seperti menggambar garis, ia akan meminta Anda untuk lokasi titik. Klik di mana saja.
10. Dan seperti alat baris, ia akan meminta titik berikutnya. Tapi jangan klik mouse Anda sebelumnya. Tekan panah pada keyboard Anda, atau klik panah kecil di sebelah 'tentukan titik sudut lain'
11. Ini adalah bagaimana Anda bisa melihat opsi untuk membuat persegi panjang. Cara yang paling umum adalah mendefinisikan 2 poin, tetapi Anda juga dapat menentukan dengan menggunakan metode lain. Jika Anda melihat pada command line, Anda dapat melihat pilihan juga. Anda dapat menggunakan opsi dengan mengetik huruf di pilihan yang tersedia.
bidang layar kerja AutoCAD seperti terlihat pada gambar di bawah ini.
Jika terjadi suatu kesalahan pada saat anda melakukan proses menggambar di AutoCAD, dan anda ingin memulai kembali atau mengulang kembali, anda dapat menggunakan perintah Undo. Klik ikon Undo pada toolbar Quick Access, yang terletak di bagian atas jendela. Anda mungkin perlu untuk mengklik beberapa kali untuk membatalkan semua perintah sebelumnya.
Atau jika anda tanpa sengaja mengklik di area gambar, menampilkan menu shortcut, atau memulai perintah, anda selalu dapat membatalkan dengan menekan tombol Esc pada keyboard Anda.
Ok… jika sampai pembahasan ini anda sudah mengerti maka saya lanjutkan dengan pembahasan bagaimana cara memulai menggambar garis, serangkaian garis, dan sebuah objek.
· Menggambar garis, serangkaian garis, dan sebuah objek.
Dalam bahasan belajar dasar AutoCAD ini, anda belajar bagaimana menggambar garis, serangkaian garis yang saling terhubung dan sebuah abjek benda yang terbuat dengan garis. Di samping itu, Anda belajar bagaimana memilih dan menghapus garis.
Untuk memulai menggambar garis, anda dapat melakukan seperti yang jelaskan di bawah ini.
· Tarik mouse ke gambar kosong. Sebuah kursor crosshairs muncul dengan tiga kotak teks. Kotak “Specify first point :” disebut prompt dinamis. Dengan prompt dinamis, anda dapat menjaga mata anda pada pekerjaan anda dan tidak perlu melihat ke bawah ke baris perintah. Perhatikan Jika prompt dinamis tidak terlihat, tekan tombol F12 untuk menyalakannya.
· Dua kotak teks yang lainnya menunjukkan lokasi (x dan y koordinat) dari kursor. Gunakan mouse untuk memindahkan kursor di sekitar dan melihat perubahan koordinat.
· Dalam gambar yang kosong, klik mouse untuk memilih titik awal untuk baris pertama Anda. Perubahan cepat yang dinamis untuk “Specify next point or”.
· Tarik kursor ke segala arah dan klik untuk memilih titik akhir baris Anda. Kotak teks lain muncul dengan informasi tambahan tentang garis. Anda dapat mengabaikan untuk saat ini.
· Tekan tombol Enter pada keyboard untuk mengakhiri baris. Anda telah menggambar baris pertama Anda!
Untuk memilih dan menghapus suatu garis
Sebelum Anda belajar cara menggambar serangkaian garis, memilih dan menghapus garis yang baru saja anda gambar.
1. Pindahkan kursor di atas garis untuk menyorotnya, garis akan terlihat lebih gelap dan putus-putus.
2. Klik mouse untuk memilih garis. Anda tahu itu dipilih ketika tiga seleksi persegi menangani muncul dan perubahan garis ke garis putus-putus.
3. Tekan tombol Delete pada keyboard anda untuk menghapus garis. Sampai sini anda telah belajar bagaimana untuk memilih satu objek dan menghapusnya.
Untuk menggambar serangkaian garis terhubung
2. Tarik mouse ke gambar kosong. Klik untuk menentukan titik pertama untuk baris.
3. Geser kursor ke segala arah dan klik untuk memilih titik berikutnya garis anda. Anda telah menggambar garis pertama dalam serangkaian garis terhubung.
4. Tarik mouse dan klik untuk menentukan titik berikutnya. Anda telah menggambar garis kedua dalam serangkaian garis terhubung.


1. Lanjutkan untuk menyeret mouse dan klik untuk menentukan titik untuk menambahkan baris lagi.
2. Bila Anda ingin mengakhiri rangkaian garis, tekan tombol Enter pada keyboard.
Untuk memilih dan menghapus serangkaian garis
Sebelum anda belajar bagaimana untuk menghubungkan serangkaian garis untuk membuat sebuah objek, menghapus garis yang baru saja anda gambar. Dalam langkah-langkah di bawah ini, Anda akan menggunakan kotak jendela pilihan untuk memilih semua baris pada saat yang sama.
1. Pindahkan kursor di atas dan di sebelah kiri garis.
2. Klik dan tahan tombol mouse saat anda tarik ke kanan dan ke bawah untuk membentuk kotak pilihan di sekitar garis.


3. Klik ketika semua garis berada di dalam kotak. Setelah Anda mengklik, seleksi persegi muncul dan garis menjadi putus-putus.
4. Tekan tombol Delete pada keyboard Anda untuk menghapus garis.
Untuk menghubungkan serangkaian garis untuk membentuk obyek.
3. Geser kursor ke segala arah dan klik untuk memilih titik berikutnya dari garis.
5. Tepat setelah Anda memilih titik terakhir, tanpa menggerakkan mouse, anda hanya menggunakan keyboard dan mengetik “close“. Ketika anda mengetik perintah “close” yang muncul dalam kotak teks kecil di jendela.
6. Tekan tombol Enter pada keyboard anda untuk menyelesaikan perintah “close“. Akhir dari baris terakhir yang anda gambar akan terhubung ke awal baris pertama anda. Metode langsung memasukkan perintah ke jendela disebut input bersifat dinamis. Hal ini lebih cepat dan lebih mudah daripada menggunakan baris perintah.
gambar 1
|
Gambar 4
Anda bisa melakukan ini hanya dengan menggunakan line dan circle kemudian garis bantu dan chamfer 30 derajat (lihat gambar 5)

gambar 5
anda bisa melakukan ini hanya dengan menggunakan line danarc anda hanya tinggal menyesuaikan ukurannya saja (lihat gambar 6 dan 7)
Anda bisa melakukan ini hanya dengan menggunakan line dan circle kemudian garis bantu dan chamfer secara distance anda dapat ukur jaraknya (lihat gambar 8 dan 9)
gambar 8
gambar 9
Anda bisa melakukan ini hanya dengan menggunakan line dan kemudian garis bantu danTrim jangan lupa perhatikan sudut-sudutnya (lihat gambar 10 dan 11)
Anda bisa melakukan ini hanya dengan menggunakan line dan Circle kemudian garis bantu dan Fillet dan kemudian perhatikan sudut-sudutnya (lihat gambar 12)
gambar 12
Anda bisa melakukan ini hanya dengan menggunakan line dan kemudian garis bantu dan Trim jangan lupa dengan chamfer dan kemudian perhatikan sudut-sudutnya (lihat gambar 13)
gambar 13
Anda bisa melakukan ini hanya dengan menggunakan line dan kemudian garis bantu dan Trim jangan lupa dengan chamfer dan perhatikan sudut-sudutnya hanya lebih atraktif saja sedikit (lihat gambar 14)
gambar 14
Anda bisa melakukan ini hanya dengan menggunakan line, Arc, pentagon dan Circle kemudian garis bantu dan Fillet dan kemudian perhatikan sudut-sudutnya (lihat gambar 15)


gambar 15
gambar 16
Gambar 17





























Posting Komentar